Рельсовые виброизоляторы
Рельсовые виброизоляторы
Рельсовые виброизоляторы предназначены для применения втех случаях, когда есть возможность установить стационарную изоляцию.
Рельсовые изоляторы различаются по типам относительно их габаритов и качества резины. В таблице ниже указаны максимальная нагрузка и показатели собственной частоты.

Код изделия |
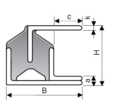
H |
B |
a |
c |
k |
Маркировка |
Максимальная нагрузка |
Номинальная частота при мак. нагрузке |
64250MTU 5014 NR |
50 |
80 |
11 |
35 |
5 |
- |
80 N/cm |
8 |
64251MTU 5035 CR |
50 |
80 |
11 |
35 |
5 |
1 зелёная полоса |
150 N/cm |
12 |
65080MTU 7514 NR |
75 |
100 |
11 |
40 |
6 |
- |
200 N/cm |
7 |
65081MTU 7535 CR |
75 |
100 |
11 |
40 |
6 |
1 зелёная полоса |
300 N/cm |
9 |

